Щитки этажные серии ЩЭУ(Н)

Описание

Щитки этажные серии ЩЭУ(Н) выпускаются для установки внутри многоквартирных жилых зданий и предназначены для распределения и учета электрической энергии напряжением 400/230 В, а также для защиты линий электроснабжения квартир при перегрузках, коротких замыканиях и недопустимых токах утечки на землю (при наличии устройств защитного отключения) в сетях напряжением 400/230 В, частотой 50 Гц с глузозаземленной нейтралью (система заземления TN-S, TN-C-S).
Общий вид представлен на рисунке.
Щиток представляет собой электрический шкаф, состоящий из следующих отсеков:
— абонентского отсека, в котором установлены вводные аппараты;
— учётного отсека, в котором установлены электросчётчики;
— отсека слаботочных устройств, в котором размещается оборудование телефонных, телевизионных и интернет‑провайдеров.

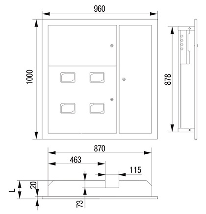
Габаритный размер щитка этажного типа ЩЭУ(Н)
Габаритный размер щитка этажного типа ЩЭУ(Н)
Структура условного обозначения
ЩЭУ(Н)-СЭ-N×IT/Сч УХЛ4 Щиток этажный;
ЩЭУ(Н)-СЭ-N×IT/Сч УХЛ4 Исполнение по виду установки:
У – встраиваемое (в нишу),
Н – навесное.
ЩЭУ(Н)-СЭ-N×IT/Сч УХЛ4 Серия разработки компании «Стандарт Энерго».
ЩЭУ(Н)-СЭ-N×IT/Сч УХЛ4 Количество присоединяемых квартир (2-8).
ЩЭУ(Н)-СЭ-N×IT/Сч УХЛ4 Номинальный рабочий ток вводного аппарата, А.
ЩЭУ(Н)-СЭ-N×IT/Сч УХЛ4 Тип вводного аппарата:
А – автоматический выключатель;
Д(ΔI) – выключатель дифференциального тока (УЗО) без защиты от сверхтоков,
где ΔI – номинальный дифференциальный ток, мА;
АД(ΔI) – автоматический дифференциальный выключатель (АВДТ) с защитой от сверхтоков,
где ΔI – номинальный дифференциальный ток, мА.
ЩЭУ(Н)-СЭ-N×IT/Сч УХЛ4 Наличие счетчика
ЩЭУ(Н)-СЭ-N×IT/Сч УХЛ4 Климатическое исполнение и категория размещения по ГОСТ 15150
Технические данные:
Номинальное рабочее напряжение (50 Гц) – 400/230 В;
Номинальные токи вводных выключателей – 32 А, 40 А, 50 А, 63 А;
Номинальные отключающие дифференциальные токи – 30 мА, 100 мА, 300 мА;
Предельная отключающая способность выключателей – 4,5-10 кА;
Вид системы заземления – TN-S, TN-C-S;
Степень защиты абонентского отсека при открытой дверце по ГОСТ 14254: IP20;
Степень защиты оболочки щитка по ГОСТ 14254: IP31;
Количество модулей – 40;
Габаритные размеры (ВхШхГ): 1000х960х157 мм;
Класс защиты по ГОСТ Р МЭК 536 – 1;
Климатическое исполнение и категория размещения по ГОСТ 15150 – УХЛ4;
Щитки этажные серии ЩЭУ(Н) соответствуют ГОСТ IEC 61439-1-2013 и ТУ 27.12.31-001-73292507-2024.
Схемы
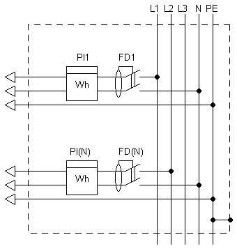
Схема электрическая щитка этажного с автоматическим выключателем на вводе на каждую квартиру,
где N – количество квартир (от 2-х до 8-ти)
Схема электрическая щитка этажного с автоматическим выключателем
Схема электрическая щитка этажного с выключателем дифференциального тока (УЗО) на вводе на каждую квартиру,
где N – количество квартир (от 2-х до 8-ти)
Схема электрическая щитка этажного с выключателем дифференциального тока (УЗО)
Схема электрическая щитка этажного с автоматическим выключателем дифференциального тока (АВДТ) на вводе на каждую квартиру ,
где N – количество квартир (от 2-х до 8-ти)
Схема электрическая щитка этажного с автоматическим выключателем дифференциального тока (АВДТ)
Скачать каталог Щитки этажные серии ЩЭУ(Н)